導軌式多回路電力儀表液晶顯示ADW210-D10
ADW2xx系列導軌式多回路電力儀表主要用于低壓三相回路全電參量測量,同時可選擇四個回路的電流輸入??芍苯踊蜷g接測量電壓、電流、功率、功率因數、相角、不平衡度、諧波等參數。 還可通過其RJ45接口擴展輔助功能,實現DI、DO、測溫、剩余電流測量,以及2G、4G、LoRa、LoRaWan、NB-Lot無線通信功能。
應用范圍:
ADW2xx系列導軌式多回路電力儀表方便用戶進行用電監測、集抄和管理??伸`活安裝于配電箱內,實現對不同區域和不同負荷的分項電能計量,統計和分析。訂貨范例:
具體型號:ADW200-D10-4S-MK主要技術參數:

模塊技術參數:

其他技術參數:


ADW2xx系列主體及模塊尺寸圖:


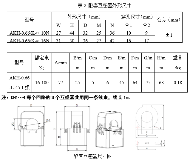
配套互感器外形尺寸:

