● AKH-L零序電流互感器
功能:
應用范圍:
適用于戶內、額定頻率50Hz或60Hz、額定電壓35kV及以下的小接地電流系統中供三相電纜接地保護用,也可與繼電器配套使用。訂貨范例:
具體型號:AKH-L-φ80 60A/1A
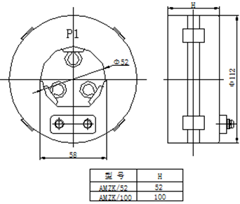
● AMZK系列電流互感器
功能:
應用范圍:
10kV環網柜作電能計量、測量裝置和繼電保護用。訂貨范例:
具體型號:AMZK52 150A/5A● AKH-L零序電流互感器
| 額定電流比(A) | 準確級 | 額定輸出(VA) |
| 60-75/1 | 10P10 | 1 |
| 100/1 | 1.5 | |
| 150/1 | 2.5 | |
| 200/1 | 3.75 | |
| 300/1~600/1 | 5 | |
| 150-200/5 | 2.5 | |
| 300-400/5 | 5 | |
| 500/5 | 7.5 | |
| 600/5 | 10 |
● AMZK系列電流互感器
| 規格 | 額定電流比 | 準確級及相應額定負荷(VA) | 電纜孔徑 | 安裝方式 | ||
| 0.5級 | 1.0級 | 3.級 | ||||
| AMZK52 | 150-200/5(1)A | 1.5 | Ф52 | 膠圈 | ||
| 250-350/5(1)A | 2.5 | |||||
| 400-600/5(1)A | 5.0 | |||||
| AMZK100 | 50-80A/5(1)A | 1.5 | ||||
| 100-150A/5(1)A | 2.5 | |||||
| 200-300A/5(1)A | 5 | |||||
● AKH-L零序電流互感器

● AMZK系列電流互感器

● AKH-L零序電流互感器

● JDG4-0.5電壓互感器

● 空壓機專用互感器

● 環網柜專用互感器

